文章
  • 文章
搜索
首页 >> 产品中心 >>NPG系列 >> NPG20-12 12V20Ah
详细说明

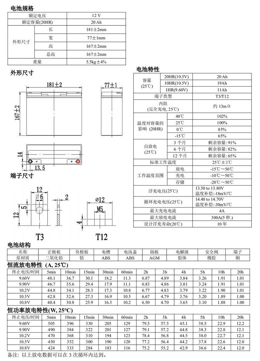
NPG20-12 12V20Ah

价格
20
收藏
  • 商品说明

 Lapater拉普特蓄电池公司供应拉普特UPS蓄电池,拉普特直流屏蓄电池,Lapater电力通信系统蓄电池,拉普特通信基站蓄电池,拉普特发电厂蓄电池,拉普特太阳能储能蓄电池,拉普特电子设备蓄电池等应急电源。

产品特性:

容量范围:33-250ah(25°C)

电压范围:6v/12v

低自放电率:25摄氏度,小于2%每月

长设计寿命:25摄氏度,6v 15年;12v,10

密封反应率高:大于98%

适用环境范围:-15~50°C

工作温度范围:-20~50°C

建议工作温度:25°C


20.jpg

20参数.jpg

技术支持: 全国免费服务电话15562789931 | 管理登录
×
seo seo